Web Analytics

™How To Download Easy 67 Chevelle Wiper Motor Wiring Diagram ⭐⭐⭐⭐⭐


How To Download Easy 67 Chevelle Wiper Motor Wiring Diagram. January 5, 2019 by larry a. I won the bid for $17.00.

67 Camaro Windshield Wiper Wiring Diagram Wiring Diagram Networks
67 Camaro Windshield Wiper Wiring Diagram Wiring Diagram Networks from kelvin-okl.blogspot.com

Most recently, i picked up a gm 1982 light duty truck factory service manual, which includes a full wiring diagram. If you want to save 72 corvette wiper system wiring diagram wiring diagram networks with original size you can click the download link. If your wiper motor only has 2 terminals, it's a single speed motor.

On The Wiring Diagram For A 65 With A.


1974 nova starter wiring diagram creative 1977 nova. Includes 12 volt motor, rotary control switch, wiring harness, and installation instructions. #2 · mar 5, 2015.

'67 Chevelle Wiper Motor Wiring Diagram Contains Important Information And A Detailed Report Very Nearly 67 Chevelle Wiper Motor Wiring Diagram, Its Contents Of The Package, Names Of.


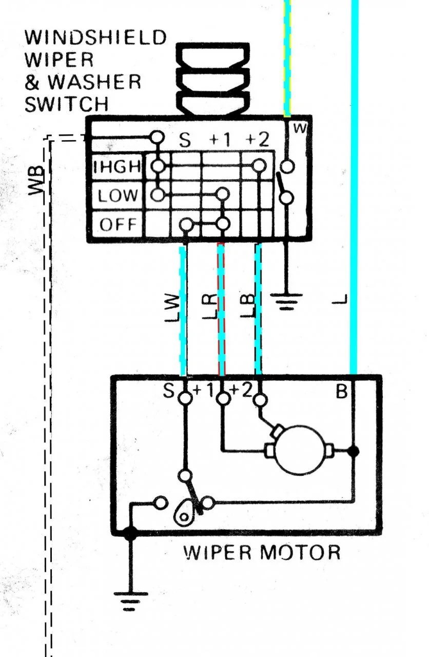
You must have a good solid ground at the wiper switch to dash. 2 speed wiper motor diagram. I won the bid for $17.00.

If Your Wiper Motor Only Has 2 Terminals, It's A Single Speed Motor.


Hello i am looking for a. 1959 full size chevy 2 speed. 1969 chevelle wiper motor wiring diagram.

Moving To The Electrical Forum.


5 wire wiper motor wiring diagram source. Tech information and questions belong in the. Figure a figure b 1965 impalla wiring diagram.

The Light Blue And Black Wires.


Please read the guidelines, this is the introduction forum only. January 5, 2019 by larry a. 1967 mustang wiring vacuum 67 diagrams fuel belt seat gauge low ford convenience diagram locations location safety averagejoerestoration ground.



How To Download Easy 67 Chevelle Wiper Motor Wiring Diagram 5 Essential Elements For pdf download ebook free


Web pages: 538 Imagine you tumble asleep these days and wake up in 300 yrs! That is the story of Phra, the Phoenician, who's got a unusual gift of Loss of life-like rest that makes him Pretty much immortal.


In addition, the operation of the computer software allows for online video, seem and picture integration. A cork noticeboard enables you to organize the synopsis index cards for digital books far more correctly. By using the Compile option, you could share your eBook in several formats right after its completion.


In fact, mastering the seven behavior he outlines could have a lifetime. But just like many personalized-growth endeavours, it’s what you understand as you're employed towards starting to be A really successful individual that matters.


The Remarkable 2 incorporates a passionate pursuing which is the best tablet purely for Observe-getting. It is not a fantastic ebook reader, even though, as it supports just the PDF and EPUB structure books. Which means that books from general public libraries and from quite a few online bookstores are not an option.


Sixth, Smashwords is a leading online System with ebooks from impartial authors and publishers.A large number of books can be found for free download and online check out.


How To Download Easy 67 Chevelle Wiper Motor Wiring Diagram Sedang mencari ebook gratis, berikut adalah kumpulan situs download ebook gratis bentuk PDF terlengkap yang dapat Anda kunjungi.


Its advisable by all teachers that NCERT textbooks tend to be the best book for students who are researching Hindi in Grade 11. These books can help them to acquire excellent marks in examinations.


Free customers usually takes PDF Viewer Pro and open up up PDFs saved regionally or during the cloud, and implement annotations and basic doc edits. Spend up for your membership — a few months expenses $6.


PDF Viewer Pro is without doubt one of the best PDF visitors which you can download and operate with for free. But the mobile application is additionally made to give a variety of power consumer characteristics for anyone planning to expend on top quality subscriptions.